欢迎来到壹号娱乐-comB2B订单网,请登录

01-2.png
  • 01-2.png
  • 01-3.png
  • 01-1.png

新国标交流充电插座

• 此系列交流充电插座主要适合电动汽车和充电桩上使用; • 根据GB/T 20234.2-2015设计,尾部防水并带电子锁止装置,单相、三相输电模式; • 带翻盖和不带翻盖,以及翻盖可左/右打开。

收藏商品

产品类别
  • 产品->新能源->电动汽车充电产品
行业专用
  • 汽车行业产品系列
应用描述
  • 新国标交流充电插座

 

规格参数:

图片7.png


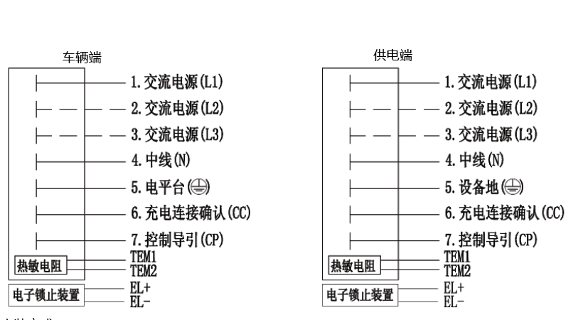
插针排布:

 图片8.png


接地方式:

图片9.png 

 

安装方式:

图片10.png 


产品选型:

123.png 


关联产品
常购商品
为您推荐
公司简介|联系我们|网站地图|隐私声明|平台协议|快递查询

物料名称

物料编码

备注*